
絕緣子檢測儀用于測試35~1000KV懸式絕緣子或實驗室檢測懸式絕緣子的分布電壓值,能有效地發現絕緣子內部的隱蔽故障,提高了電網系統運行的可靠性,也提高了線路工作人員進行帶電測試的工作效率。本產品具有體積小﹑重量輕﹑使用簡單﹑攜帶方便等特點,配用的絕緣桿選用兵工企業生產的三球牌高壓防潮絕緣桿,具有防潮﹑耐高溫﹑抗沖擊﹑抗彎﹑高絕緣等特點
2021-01-08
接地故障是6kV-35kV配電網架空線路最為常見的故障,為此我們在國網河南電力公司、湖北公司、甘肅公司、湖南電力公司等公司的訴求下,成功開發Reke1010接地故障定位儀第一代
2021-01-04
人們對雷科電力的綜合測試儀特性要求越來越高,依據最新的GB1984-2003為設計藍本,再到成套廠家嚴格的動態分析驗收,每臺綜合測試儀都附有相應的檢測報告。
2020-12-28
電力系統中,閥型避雷器【包括炭化硅普通閥型(FZ和FS),炭化硅磁吹閥型(FCX和FCD)】及氧化鋅避雷器中放電計數器動作的檢查和校驗是必不可少的。常見的避雷器計數器監測儀體
2020-12-11
按照通用技術條件DL/T963-2005設計的Reke3383變壓器全自動變比組別測試儀是根據《中華人民共和國電力行業標準》制造的高電壓測試設備,依據《電力設備交接和預防性試驗規
2020-12-08
生產供配電系統,電力變壓器制造廠、工礦企業、科研部門等如何選型Reke無局放試驗裝置,對各種高壓電氣設備、電器元件、絕緣材料進行工頻或直流高壓下的絕緣強度試驗,是高壓
2020-12-07
1、什么叫檢修安全用具?它包括哪幾種?檢修安全用具是指檢修時應配置的保護人身安全和防止誤入帶電間隔以及防止誤操作的安全用具。檢修安全用具除基本絕緣安全
2020-12-07
一套符合出廠要求的雷電沖擊電壓試驗裝置應滿足現行國際標準(IEC)、國家標準GB及有關電力行業標準DL:JB/T9641-1999《試驗變壓器》GB1094-2003《電力變壓器》
2020-12-04
服務內容:電纜故障檢測、變電站檢測專業技術服務,自主研發電纜故障測試儀、配電網故障檢測儀、電纜故障探測儀、線路故障定位儀的生產廠家,歡迎廣大用戶來電咨詢:15827360014
2020-12-04
預防事故發生,運行中的電纜應定期進行預防性耐壓試驗。電纜直流耐壓試驗標準可參照有關電纜的運行規程,直流耐壓試驗周期原則上是每年進行一次,新敷設的電纜,投入運行后三個月應進行一次試驗
2020-12-03
我國配電網多采用小電流接地系統,配電線路長范圍廣、分支復雜。發生單相接地故障后,多通過人工巡線或拉路的方式查找故障點,遇到反復擊穿型故障或隱蔽型故障,查找起來更是費
2020-12-03
燒傷是針對動力電纜出現的高阻接地故障,采用大電流燒穿的辦法,將不易覺察的故障點顯現出來,使維修人員進行及時維修;直流耐壓試驗設備用于動力電纜的直流耐壓和直流泄漏電流的檢測
2020-12-02
為了減少事故,預防事故發生,運行中的電纜應定期進行預防性耐壓試驗。耐壓試驗一般采用直流電壓,因為直流耐壓試驗沒有容性電流,使試驗設備容量小,另外直流耐壓試驗不易
2020-12-02
Reke6020智能200A開關接觸電阻測試儀操作指南:1接好儀器電源線、保護接地端。2測量回路將專用粗電流測試線按照顏色紅對紅,綠對綠接到對應的I+、I-接線柱扭緊,專
2020-12-02
瓦斯保護是變壓器內部故障的主要保護元件,對變壓器匝間和層間短路、鐵芯故障、套管內部故障、繞組內部斷線及絕緣劣化和油面下降等故障均能靈敏動作。當油浸式變壓器的
2020-12-01
瓦斯繼電器校驗平臺是一種全新設計的氣體繼電器的校驗和檢測設備。該校驗平臺模擬變壓器內部故障時氣體繼電器動作機理,滿足氣體繼電器重瓦斯,輕瓦斯,密封性,油流失功能校驗
2020-12-01
沿線在關鍵分支處用檢測器對各個分支流過的特征交流信號進行測量,并將結果顯示在手機巡查助手APP上。如果發現某一分支能夠檢測到特征交流電流,說明故障點在該分支下游,如果不能檢測到特征交流電流,說明故障點在該分支上游。依據此原理可以準確確定接地故障點。
2020-11-28
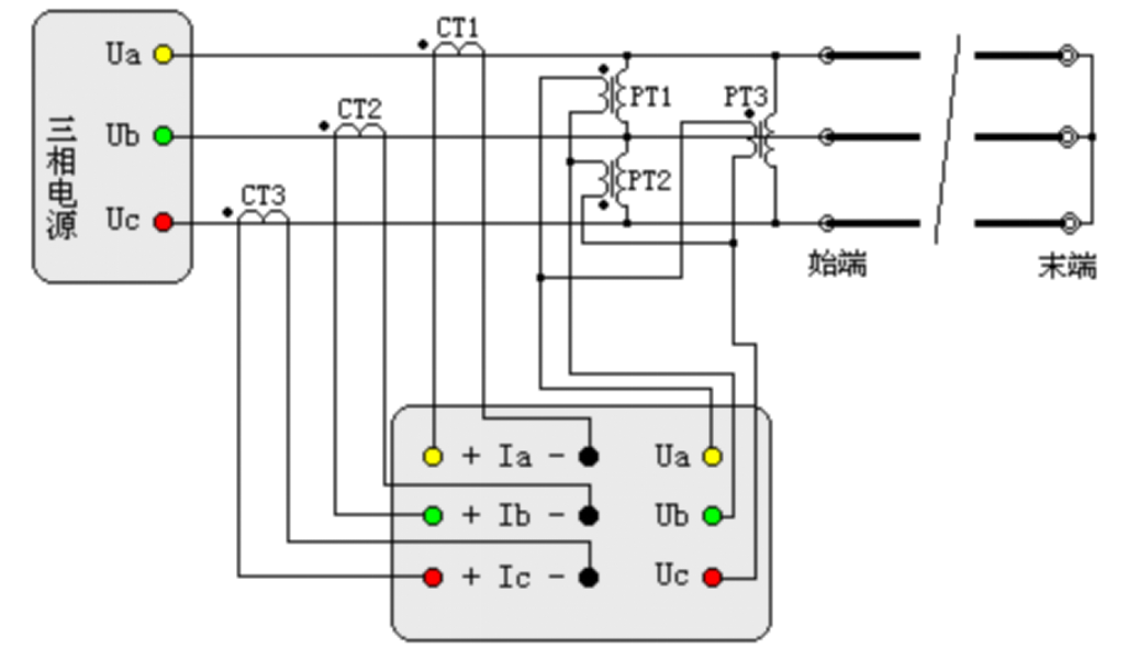
新建高壓線路在投入運行之前,除了檢查線路的絕緣情況、核對相位外,還應測量各種工頻參數值,作為計算系統短路電流、繼電保護整定、推算潮流分布和選擇合理運行方式等工作的實際依據。主要包括:正序阻抗、正序電容、零序阻抗、零序電容、相間阻抗、相間電容、線地阻抗、線地電容、互感阻抗。
2020-11-28
好消息!近日,凱迪正大再次獲得了5項實用新型專利證書!實用新型名稱是一種新型高壓開關特性測試儀、一種便于移動的電纜故障高壓測試儀、一種智能型絕緣電阻測試儀、一種
2020-11-10
好消息!近日,凱迪正大再次獲得了5項實用新型專利證書!實用新型名稱是一種新型高壓開關特性測試儀、一種便于移動的電纜故障高壓測試儀、一種智能型絕緣電阻測試儀、一種
2020-11-10